Крановые рельсы КР80
В каталоге нашей компании «Веста» вы можете купить крановые рельсы КР80, которые производятся для укладки подкрановых путей мостовых кранов по аналогии с железнодорожным полотном. Сырьем для их изготовления является высокоуглеродистая качественная сталь марки К63, обеспечивающая высокую износостойкость и долговечность конструкции.
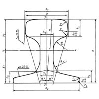
В маркировке рельс КР80 цифровое значение обозначает ширину головки – 80 мм. Вес одного метра составляет 59,81 кг. Длина данного проката бывает мерной и немерной в диапазоне от 4 до 12 метров, что позволяет подобрать оптимальный вариант для любого объекта.
Технические характеристики рельс КР80
В промышленном производстве крановые рельсы КР 80 изготавливаются без соединительных отверстий под болты. ГОСТ регламентирует следующие требования к данным изделиям:
- Отсутствие трещин, загрязнений, раковин и расслоений;
- Повышенный прочностной потенциал;
- Допуски кривизны по горизонтали – 0,08%, по вертикали – 0,06%;
- Отсутствие заваривания дефектов.
Округленность головки, увеличенная толщина стенки и достаточная ширина опорной поверхности данного проката позволяют равномерно распределять давление колес крана на подкрановую балку, что значительно продлевает срок службы всей конструкции.
Типы рельсов и ассортимент
Специализированная компания «Веста» имеет в своем ассортименте крановые рельсы КР-80 различной длины, выполненные в строгом соответствии с нормами ГОСТ. Помимо КР80, мы предлагаем и другие типы рельсов для различных промышленных задач.
Условия поставки и оплата
Многолетний опыт поставок позволяет нам своевременно организовать доставку груза любым видом транспорта во все регионы России со склада в Екатеринбурге или напрямую от заводов-изготовителей. Стоимость продукции остается наиболее привлекательной для большинства потребителей, а гибкие условия сотрудничества делают работу с нами максимально комфортной. Оплата производится по удобной для вас схеме.
Вы можете оформить заказ, заполнив удобную форму на странице корзины, или позвонив по контактным телефонам в Екатеринбурге:

